Bem-vindo ao conectar
No contexto do rápido desenvolvimento da nova indústria energética, cenários como o armazenamento de energia comercial e industrial , estações de troca de bateria e sistemas de armazenamento fotovoltaico doméstico colocaram maiores exigências sobre o precisão, compatibilidade e inteligência de medição de eletricidade . A Acrel Electric desenvolveu uma gama completa de novas soluções de instrumentação de suporte energético. Essas soluções são projetadas sob medida para os principais requisitos de diferentes cenários de aplicação, cobrindo necessidades de medição desde aplicações domésticas de baixo consumo até sistemas de armazenamento de energia industriais e comerciais de grande escala. As soluções fornecem suporte confiável para a operação estável e medição precisa de novos sistemas de energia.
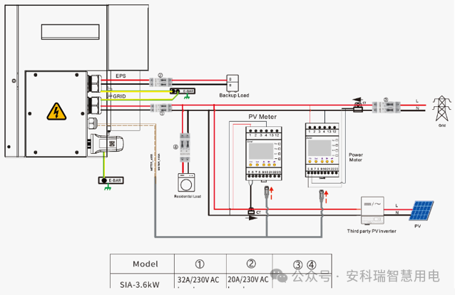
A energia fotovoltaica residencial e o armazenamento de energia representam um importante cenário de aplicação para a popularização de novas energias. A Acrel desenvolveu produtos de instrumentos altamente compatíveis visando diferentes subcenários, incluindo correspondência de inversor de armazenamento de energia, integração de inversor híbrido, sistemas de armazenamento fotovoltaico de varanda e sistemas de transmissão transparentes ponto a ponto de armazenamento de microenergia . Esses produtos equilibram integração, velocidade de medição e flexibilidade de comunicação.
Em resposta às características do mercado de compatibilidade multimarcas em sistemas fotovoltaicos e de armazenamento de energia, a configuração RS485 CT é adotada para acomodar condições de instalação incertas para agentes profissionais. Os instrumentos são certificados com certificações internacionais CE-MID, UL e RCM. Com uma taxa de atualização de dados de alta velocidade de 50 ms, os dispositivos também suportam ajuste de sequência de fase, garantindo medição precisa e forte compatibilidade.
Para requisitos de alta integração de projetos de inversores de armazenamento de energia multifuncionais e requisitos de medição de canal duplo em cenários de modernização, os instrumentos são equipados com terminais de conexão rápida de tensão e corrente e portas de comunicação RJ45. Eles também suportam taxas de atualização de dados de 50 ms e ajuste de sequência de fases, juntamente com um sistema de certificação abrangente, tornando-os adequados para cenários de modernização e novas instalações.
Projetada especificamente para sistemas fotovoltaicos distribuídos de baixa potência e sistemas de armazenamento de energia em varandas, esta solução equilibra alta integração com instalação e comissionamento convenientes. Além de medição de canal duplo e terminais de conexão rápida , também suporta Funções de depuração WiFi, WiFi HaLow e Bluetooth . O design sem fio simplifica significativamente a instalação em cenários de pequena escala e o produto possui certificação CE-RED.
Para abordar o baixa penetração e desempenho instável da rede de traditional WiFi in micro-energy storage scenarios, WiFi HaLow A tecnologia de comunicação (Sub-1GHz) é adotada. Comparado com o WiFi tradicional, oferece maior capacidade de penetração e maior distância de transmissão. Comparado com a comunicação LoRa, oferece maior velocidade de transmissão e melhor estabilidade. O instrumento suporta nativamente esta tecnologia, necessitando apenas de um AP adicional no lado do inversor para permitir a comunicação sem fio. Ele também suporta configuração de rede rápida um para um e um para muitos, tornando-o adequado para sistemas domésticos de multiinversores e microarmazenamento de varanda.
O armazenamento de energia industrial e comercial, o armazenamento de energia em grande escala e as estações de troca de baterias exigem padrões rígidos de precisão de medição, velocidade de atualização, flexibilidade de instalação e conformidade regulatória. A Acrel fornece produtos de instrumentos incorporados e montados em trilho DIN com base em requisitos importantes, como faturamento multitarifário, medição de demanda, proteção anti-reversa de fluxo de energia e comunicação sem fio , suportando novas instalações e aplicações de modernização.
O APM521 obteve certificação CSA (UL) no exterior e fornece precisão de medição de energia ativa de até 0,2s classe (Classe D). É equipado com armazenamento em cartão SD para parâmetros elétricos em tempo real. O design modular do módulo de expansão da unidade principal suporta montagem embutida e em trilho DIN, atendendo a diversos requisitos de instalação em novos projetos.
Este é um medidor de classe 0,5S com TC externo, amplamente utilizado em aplicações de grandes clientes. Ele suporta fiação secundária de retrofit de TC e pode fixar diretamente a corrente lateral secundária de transformadores de corrente existentes, tornando-o altamente adequado para projetos de modernização de medidores. O produto possui certificações CPA, CE e UL e também pode ser personalizado em uma versão de atualização de alta velocidade para atender aos requisitos de aplicativos de alto desempenho.
Além disso, as soluções industriais e comerciais também integram funções de proteção contra sobrecarga. O sistema pode ser conectado a cenários de armazenamento de energia de alta e baixa tensão e pode funcionar com medidores de eletricidade multi-tarifários para obter medições precisas de eletricidade sob diferentes estruturas tarifárias, fornecendo suporte abrangente de segurança e gerenciamento de energia para sistemas de armazenamento de energia industriais e comerciais e estações de troca de baterias.
No contexto de atualizações contínuas na nova indústria energética, a Acrel continuará a concentrar-se na inovação e a melhorar ainda mais a sua nova tecnologia de instrumentação e sistema de produtos de apoio à energia. A empresa tem como objetivo fornecer soluções mais eficientes, inteligentes e confiáveis medição de eletricidade solutions para armazenamento de energia comercial e industrial, estações de troca de baterias e aplicações de armazenamento fotovoltaico doméstico, ajudando a promover o desenvolvimento de alta qualidade da nova indústria de energia.
Copyright © Acrel Co., Ltd. Todos os direitos reservados.
