Corrente nominal 80A diretamente
Certificado MID
Classe C de alta precisão
Trilho DIN de 35 mm montado
Saída de pulso
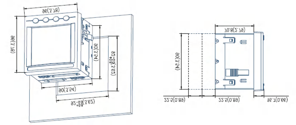
4 Módulos 72mm de Largura
Para gerenciamento de energia IoT, fábrica, escola
Medições True RMS
THD com 63º Harmônicos
Fator K e Fator de Crista
Desequilíbrio e ângulos de fase
Demandas e energia multitarifária
Registro máximo/mínimo com carimbo de data/hora
+86-18702106858 / +86-21-69156352
O APM810 é um medidor de painel multifuncional CA trifásico classe 0.2S projetado para monitoramento preciso de energia, diagnóstico de qualidade de energia e subfaturamento de locatário em quadros de distribuição industriais, comerciais e de data center. O gabinete DIN compacto de 96×96 mm hospeda uma tela sensível ao toque TFT colorida que exibe tensão RMS real até 690 V, corrente, frequência, potência ativa/reativa/aparente, PF, demanda, harmônicos até 63º, THD e kWh/kvarh de quatro quadrantes. Dual RS485 Modbus-RTU, Ethernet TCP/IP, BACnet/IP, SNMP e Wi-Fi/LoRa opcional oferecem integração BMS/EMS perfeita, enquanto a memória integrada de 4 MB registra perfis de carga de 12 meses para auditorias de energia. Alarmes configuráveis de sobre/subtensão, corrente, FP e harmônicos acionam saídas de relé ou entradas digitais para controle inteligente do disjuntor; Os registros de pulso, SOE e TOU tarifário suportam aplicações de utilidade pública AMI, medição de rede solar e carregamento de EV. Ampla conexão 3×57,7–690 V, 0,001–10 A direta ou CT/VT, além de vedação à prova de violação, adequada para qualquer implantação de rede inteligente ou microrrede.
| Parâmetros Técnicos | Valor | |||
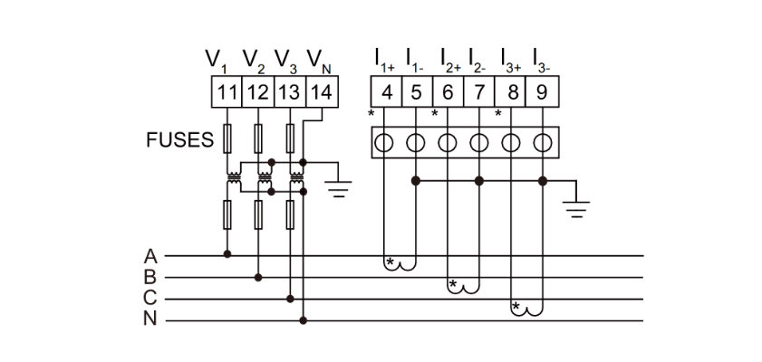
| Entrada | Conexão | Monofásico 2 fios, 3 fases 3 fios, 3 fases 4 fios | ||
| Frequência | 45-65Hz | |||
| Tensão | Avaliação: | |||
| monofásico: CA 100V、400V | ||||
| Trifásico: AC 3×57,7V/100V(100V)、3×220V/380V(400V)、3×380V/660V(660V)(somente tamanho 96) | ||||
| Sobrecarga: classificação de 1,2 vezes {contínua): classificação de 2 vezes por 1 segundo | ||||
| Consumo de energia:<0,5VA | ||||
| Atual | Avaliação: AC IA、5A | |||
| Sobrecarga: classificação de 1,2 vezes (contínua); classificação de 10 vezes por 1 segundo | ||||
| Consumo de energia:<0,5VA | ||||
| Saída | Energia elétrica | Saída mode:open-collector photo-coupler pulse | ||
| Constante de pulso: 10000imp/kWh (ajustável), consulte o diagrama de fiação para obter detalhes; | ||||
| Comunicação | Porta RS485, protocolo Modbus -RTU, protocolo DLT645 (versões 07 e 97), | |||
| taxa de transmissão 1200 ~ 38400 | ||||
| Função | Troca de entrada | Entrada de contato seco, fonte de alimentação integrada; se o modelo for KA, é AC 220V ativo. | ||
| Saída de comutação | Saída mode: Relay normally open contact output | |||
| Capacidade de contato: AC 250V/3A、 DC 30V/3A | ||||
| Saída analógica | 4 - 20mA | |||
| Classe de precisão | Frequência:0.05Hz,Current、Voltage:0.2 class,Reactive power:l .0class,Reactive Electric energy:l .0class, active power:0.5class,active electric energy: 0.5class,2-31th harmonic measurement:±1% | |||
| Fonte de alimentação | AC/DC 85-265V ou DC24V(±20%)ou DC48V(±20%) | |||
| consumo de energia≤10VA | ||||
| Segurança | Tensão suportável de frequência de energia | Entre fonte de alimentação // Saída de comutação // Entrada de corrente // Entrada de tensão e transmissão // Comunicação // Saída de pulso // entrada de comutação AC 2 kV 1min; | ||
| Entre fonte de alimentação、saída de comutação、Entrada de corrente、Entrada de tensão AC 2 kV 1min; | ||||
| Entre Transmissão, Comunicação, Saída de Pulso, entrada de comutação AC 1kV 1 min; | ||||
| Resistência de isolamento | Entrada、Output end to machine enclosure >100MΩ | |||
| Meio Ambiente | Temperatura | trabalho: -25°C~ 65°C armazenamento: -40°C ~ 80°C | ||
| Umidade | ≤93% RH sem condensação | |||
| Altitude | ≤2500 milhões | |||
Solução de monitoramento de energia
Fundada em 2003, Acrel Co., Ltd.【Estoque Código: 300286.SZ】 é uma empresa de alta tecnologia especializada em soluções de gestão de energia e da segurança elétrica. Com sede em Xangai, Acrel oferece soluções inovadoras e sustentáveis para microrrede de eficiência energética e de segurança elétrica. Com mais de 600 patentes de software e direitos de autor, Acrel implantou mais de 28.000 sistema de soluções globalmente, formando uma abrangente de "cloud-borda-end" de energia de arquitetura da internet.
Acrel Co., Ltd. é China Atacado Medidor de energia montado em painel programável trifásico CA Fabricantes e Medidor de energia montado em painel programável trifásico CA Fábrica. Acrel integrado de produto do ecossistema estende desde a plataforma de nuvem de software para usuário final do veículo, abrangendo setores como energia, energia renovável, data centers, edifícios inteligentes, transporte e cidades inteligentes. Estas soluções permitem inteligente, em tempo real gestão de energia, melhorar a segurança energética e reduzir custos operacionais. Oferecemos Medidor de energia montado em painel programável trifásico CA para venda.
A empresa fábrica de produção de Jiangsu Acrel Electric Manufacturing Co., Ltd., segue padrões rigorosos de qualidade e diretrizes para o meio ambiente, com os avançados centros de testes e um compromisso de chumbo em processos de produção. Acrel equipe de mais de 500 engenheiros de entrega de ponta a eficiência energética de sistemas e soluções inteligentes de energia.
Com um interno forte presença, Acrel ativamente está se expandindo internacionalmente, apoiados por uma rede global de vendas e equipes técnicas e de uma plataforma de e-commerce que garante um serviço contínuo de experiências em todo o mundo. Acrel é motivo de orgulho para ajudar as empresas a melhorar a eficiência, reduzir o consumo, e atingir as metas de sustentabilidade.
Juntos, estamos construindo uma forma mais inteligente, mais verde do futuro.
Autorizado Patentes
0+Número de Clientes atendidos
0+Total De Empregados
0+Base De Fabricação
0m²Bem-vindo ao conectar No contexto do rápido desenvolvimento da nova indústria energética, cenários como o armazenamento de energia comercial e industrial , estações de troca de bateria e sistemas de armazenamento fotovoltaico doméstico colocaram maiores exigências sob...
Leia MaisHistórico da indústria e importância da aplicação Os barramentos servem como espinha dorsal dos sistemas de distribuição elétrica em indústrias que vão desde painéis de distribuição, acionamentos industriais, inversores de energia renovável, sistemas de armazenamento de energia de bateria (BES...
Leia MaisHistórico da indústria e importância da aplicação A rápida adoção de veículos elétricos (VE) está a gerar novos requisitos de infraestrutura em ambientes residenciais com vários inquilinos, como complexos de apartamentos, edifícios de uso misto e habitações multifamiliares. Ao contrário das ca...
Leia Mais