Aplicação do sistema Acrel Medical IT em hospitais da Malásia
Página inicial / Projetos / Hospitais / Aplicação do sistema Acrel Medical IT em hospitais da Malásia

Aplicação do sistema Acrel Medical IT em hospitais da Malásia

Com o uso crescente de equipamentos médicos eletrônicos em hospitais, o risco de corrente de fuga representa ameaças significativas à segurança dos pacientes, especialmente em ambientes de cuidados intensivos. Durante procedimentos cirúrgicos ou anestesia, os pacientes são conectados diretamente a vários eletrodos e sensores. Mesmo correntes de fuga mínimas podem causar choque eléctrico quando os dispositivos médicos estão em contacto directo com o corpo humano.

Além disso, os equipamentos de suporte à vida para pacientes gravemente enfermos devem manter operação ininterrupta. Qualquer interrupção de energia pode colocar imediatamente em risco a vida dos pacientes. Portanto, os sistemas elétricos hospitalares devem cumprir rigorosamente os padrões nacionais, implementando sistemas de fornecimento de energia de TI em áreas designadas.

Este estudo de caso demonstra a aplicação do sistema de fornecimento de energia isolado para uso médico da Acrel na Malásia, apresentando:

Distribuição de energia de TI médica

Dispositivos de monitoramento de isolamento

Sistemas de localização de falhas

Contate-nos
  • Visão Geral do Projeto
  • Visão geral do projeto
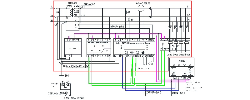
    Malásia I.E.D está localizado em SELANGOR DARUL EHSAN, o projeto é usado principalmente em hospitais insulares na Malásia, os produtos são usados para localização de falhas de isolamento de 12 circuitos para 3 conjuntos de sistema de energia isolado de hospital, os produtos relacionados são dispositivo de monitoramento de isolamento AIM-M200, gerador de teste de sinal ASG150, indicador de alarme centralizado AID150, localizador de falha de isolamento AIL150-8, AIL150-4 e transformador de corrente de fuga AKH-0.66P26.


    Introdução ao sistema de TI médico
    O dispositivo de monitoramento de isolamento do sistema de TI médico ACREL e o sistema de localização de falhas são adequados para salas de cirurgia de hospitais, UTI (CCU) e outros locais importantes, e podem fornecer um local seguro para essas soluções de energia contínuas e confiáveis.


    Solução de fonte de alimentação para locais médicos
    Soluções de distribuição de enfermaria de UTI e CCU (diagrama de sistema de gabinete elétrico isolado GGF-I8G, por exemplo)


    Opção I sem função de localização de falhas


    Opção II com função de localização de falhas

    NOTA: Nas soluções de distribuição de energia da unidade de terapia intensiva, o alarme centralizado da série AID e o dispositivo de exibição devem ser instalados no posto de enfermagem, a equipe hospitalar do posto de enfermagem monitora o status operacional de cada sistema de energia isolado.


    Soluções de distribuição para salas cirúrgicas (diagrama do sistema de gabinete elétrico isolado GGF-O8G, por exemplo)

    Opção I sem função de localização de falha de isolamento


    Opção II com função de localização de falhas de isolamento

    1. Nas soluções de distribuição de energia da sala de cirurgia, a série AID de alarmes externos e dispositivos de exibição devem ser instalados no painel de inteligência dentro da sala de cirurgia ou próximo ao painel de inteligência (instalação na parede). Durante a cirurgia, a equipe médica monitora a saúde do sistema de energia isolado.

    2. No esquema com função de localização de falha de isolamento, se o número de canais localizados for superior a oito, podem ser utilizados dois conjuntos de localizadores AIL150. A combinação pode ser AIL150-8 e AIL150-4 (até 12 canais) ou AIL150 -8 e AIL150-8 (até 16 canais).

    3. Diagrama de fiação típico






    4. Introdução de TI médica de 7 peças

    Nome e tipo do produto Imagem do produto Descrição
    Transformador de isolamento médico série AITR O transformador de isolamento da série AITR é especialmente usado em sistemas de TI médicos. Os enrolamentos são tratados com isolamento duplo e possuem uma camada de blindagem eletrostática, o que reduz a interferência eletromagnética entre os enrolamentos. O sensor de temperatura PT100 é instalado na embalagem de arame para monitorar a temperatura do transformador. Todo o corpo é tratado com tinta de invasão a vácuo, o que aumenta a resistência mecânica e a resistência à corrosão. O produto tem bom desempenho de aumento de temperatura e ruído muito baixo.
    Instrumento de monitoramento de isolamento médico inteligente AIM-M200 O instrumento de monitoramento de isolamento inteligente médico AIM-M200 adota tecnologia avançada de microcontrolador, que possui alta integração, tamanho compacto, instalação conveniente e integra inteligência, digitalização e rede em um. É a seleção ideal para monitoramento de isolamento de sistemas de energia isolados em locais médicos Classe 2, como salas de cirurgia e unidades de terapia intensiva.
    Transformador de corrente AKH-0.66P26 O transformador de corrente tipo AKH-O 66P26 é o transformador de corrente de proteção que suporta o monitor de isolamento AIM-M200, cuja corrente máxima mensurável é 60A e a relação de transformação é 2000:1. O transformador de corrente é fixado diretamente dentro do gabinete por meio de parafusamento, e o lado secundário é conduzido para fora pelo terminal, que é conveniente de instalar e usar.
    Localizador de falha de isolamento AIL150-4/AIL150-8 Localizador de falha de isolamento AIL150-4/AIL150-8 adopts high sensitivity transformer combined with a high precision signal detecting circuit, which detects the signal imported into the system from the ASG150 test signal generator and accurately locates the circuits which have insulation faults. AIL150-4 insulation fault locator can locate the insulation faults of 4 circuits, and the AIL150-8 insulation fault locator can locate the insulation faults of 8 circuits.
    Gerador de sinal de teste ASG150 O gerador de sinal de teste ASG150 adota um chip microprocessador de 32 bits e um circuito de geração de sinal de alta precisão para realizar a geração do sinal de teste específico. Quando o sistema de TI monitorado apresenta falhas de isolamento, ele pode iniciar e produzir um sinal de teste a tempo, trabalhando com o localizador de falha de isolamento para realizar a localização da falha de isolamento.
    Módulo de potência HDR-60-24 A fonte de alimentação de corrente contínua HDR-60-24 pode fornecer fonte de alimentação de 24 Vcc simultaneamente para AIM-M200
    instrumento de monitoramento de isolamento médico inteligente, gerador de sinal de teste ASG150, localizador de falhas de isolamento da série AIL150 e alarme centralizado AID150 e instrumento de exibição A fonte de alimentação é de alta capacidade, saída de tensão estável e instalação conveniente, que pode atender aos requisitos de fonte de alimentação dos medidores acima mencionados e é o produto de fonte de alimentação recomendado.
    Alarme centralizado AID1 50 e instrumento de exibição O instrumento centralizado de alarme e exibição AID150 adota o display LCD de cristal líquido e consegue a troca de dados com o instrumento de monitoramento de isolamento médico inteligente AIM-M200 por meio da interface de comunicação RS485, que pode monitorar em tempo real dados multicanais do instrumento de monitoramento de isolamento médico inteligente AIM-M200.

    Fotos no local



Acrel Co., Ltd.